免費咨詢熱線
0512-66182570-
120、什么是液氧儲罐?-杜爾裝備
什么是液氧儲罐?液氧儲罐是儲存液態氧的儲存壓力容器,俗稱液氧罐。主要用于儲存液態氧的液氧儲罐。 專業供應液氧罐,規格齊全,可按不同需求選擇液氧罐規格,我們始終視液氧罐的質量為生命,始終…
[2019.12.19] -
132、減壓閥、背壓閥、安全閥、泄壓閥、穩壓閥的功能區別你了解嗎?-杜爾裝備
減壓閥、背壓閥、安全閥、泄壓閥、穩壓閥的功能區別你了解嗎?1、減壓閥是將壓力高的氣體降為壓力低的氣體的設備,該閥的特點是在進口壓力不斷變化的情況下,保持出口壓力在一定的范圍內。2、背壓…
[2019.12.18] -
119、2000m3LNG常壓罐預冷方案(3)-杜爾裝備
2000m3LNG常壓罐預冷方案(3)預冷的主要步驟1、用金屬軟管將液氮槽車和低溫常壓罐連接妥當,槽車通過自增壓升壓;2、將槽車頂部低溫氮氣向常壓罐內緩慢沖入,此時應打開常壓罐氣相手動和自動放空…
[2019.12.17] -
118、2000m3LNG常壓罐預冷方案(2)-杜爾裝備
2000m3LNG常壓罐預冷方案(2)預冷前的準備工作1、整個常壓儲罐系統按圖紙及相關技術文件及規范安裝、檢驗、試驗完畢;2、預冷前應熟悉常壓罐系統的流程和操作;3、預冷前的吹掃和干燥
[2019.12.16] -
117、2000m3LNG常壓罐預冷方案(1)-杜爾裝備
2000m3LNG常壓罐預冷方案2000m3LNG常壓罐開車前內罐吹掃及預冷方案,開車預冷液氮所需總量為:30噸。 液氮吹掃、預冷的目的吹掃、預冷的目的是為了將儲罐和管道溫度逐步降低,避免急冷,防止溫…
[2019.12.14] -
116、關于儲罐接管安裝-杜爾裝備
關于儲罐接管安裝關于儲罐接管安裝:(1)罐體組裝完后,按照管口方位位置畫出管口的安裝位置,內罐開孔采用等離子切割,用砂輪片打磨掉氧化層,接管伸出長度應符合設計要求,角焊縫作著色檢驗。(2…
[2019.12.13] -
115、關于儲罐罐體提升-杜爾裝備
關于儲罐罐體提升儲罐組裝采用群抱提升倒裝法。因現在沒有詳細的施工圖紙,外罐總重量為136.974,去除底板以及最下一層帶板的重量,外罐安裝初步考慮設置16根桅桿,沿罐壁周向均布,每根桅桿處安裝…
[2019.12.12] -
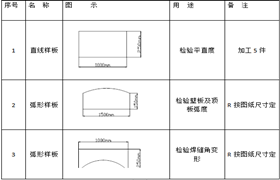
114、關于儲罐頂板組裝-杜爾裝備
關于儲罐頂板組裝關于儲罐頂板制作在胎具上進行,胎具立柱的垂直度和胎具的剛度要符合設計要求(胎具由立柱、斜支撐、水平拉桿、頂圈和墊板等件構成)。頂板制作先安裝加強筋,加強筋用弧形樣板檢查…
[2019.12.11] -
113、關于儲罐罐壁組裝-杜爾裝備
關于儲罐罐壁組裝關于儲罐罐壁組裝:在罐底板上劃出底圈,罐壁安裝圈,并沿圓周半徑安裝槽鋼(10#),槽鋼長度為150mm,間距為1000mm,以圓周線為基準安裝定位角鐵。壁板的鉛垂直度允許偏差不應大…
[2019.12.10] -
112,關于儲罐的罐底如何組裝-杜爾裝備
關于儲罐的罐底如何組裝 組裝過程中采取臨時加固措施,防止大風等自然條件造成儲罐的失穩破壞,儲罐組裝前,應將物件的坡口和搭接部位的泥沙、鐵銹、水及油污等清理干凈,拆除吊裝卡具時,不…
[2019.12.09] -
131、低溫液體子母罐-杜爾裝備
低溫液體子母罐產品描述:低溫液體子母罐是指由多個盛裝介質的子罐并聯后按一定的排列方式置于填充絕熱材料的母罐中的儲罐。通常是為了滿足大容積、帶壓貯存而建造,在中、大型(1000m3~10000m3儲…
[2019.12.07] -
130、工業氣體子母罐-杜爾裝備
工業氣體子母罐產品描述:工業氣體子母罐是指由多個盛裝LN2、LO2、LAr的子罐并聯后按一定的排列方式置于填充絕熱材料的母罐中的儲罐。對空分裝置產出或者鋼廠后備系統需要分別存儲液氧、液氮、液…
[2019.12.06] -
111、關于20000m3LNG低溫常壓貯罐施工前準備(二)-杜爾裝備
關于20000m3LNG低溫常壓貯罐施工前準備(二)關于20000m3LNG低溫常壓貯罐施工前焊接材料準備:對焊接材料的管理現場應設專人負責管理,對焊接材料的烘干、發放、回收、重復烘干等進行記錄,焊接材…
[2019.12.05] -
129、液氮子母罐-杜爾裝備
液氮子母罐產品描述液氮子母罐是指由多個盛裝LN2的子罐并聯后按一定的排列方式置于填充絕熱材料的母罐中的儲罐。通常是為了滿足大容積、帶壓貯存而建造,對PTA、PTE等緊急工況下短時需求大量保護…
[2019.12.05] -
128,空溫式氣化器-杜爾裝備
空溫式氣化器空溫式氣化器是利用空氣自然對流加熱換熱管中的低溫液體,使其完全蒸發成氣體;是一種集空溫式和加熱式汽化功能、可替代加熱汽化產品的高效節能換熱設備。適應性廣--廣泛應用在各行業…
[2019.12.04] -
127、LPG水浴式氣化器的介紹-杜爾裝備
LPG水浴式氣化器的介紹一、特點:LPG水浴式氣化器操作簡單,維修保養方便,價格實惠。氣化能力從每小時5kg至300kg。LPG水浴式氣化器工藝結構堅固耐用,并具有防腐蝕性能。浮球閥裝置可防止液態經…
[2019.12.03] -
126,LNG氣化站-杜爾裝備
LNG氣化站氣化站集卸車、儲存、氣化、復熱、調壓、計量、加臭所有功能為一體,采用PLC智能控制。流程簡單,結構多為撬塊,現場安裝方便,操作簡單,運行可靠,采用“雙路氣化+二次復熱”可以在任…
[2019.11.29] -
125,液化天然氣子母罐-杜爾裝備
液化天然氣子母罐液化天然氣子母罐是指由多個盛裝LNG的子罐并聯后按一定的排列方式置于填充絕熱材料的母罐中的儲罐。通常是為了滿足大容積、帶壓貯存而建造,在中、大型(1000m3~10000m3儲存規模…
[2019.11.28] -
110,關于20000m3LNG低溫常壓貯罐施工前準備(一)-杜爾裝備
關于20000m3LNG低溫常壓貯罐施工前準備(一) 槽體結構簡介:低溫貯罐是廣泛應用于空分系統及LNG等產品貯罐,由于其特殊的工作環境,致使其結構及材料的應用必須滿足超低溫的要求,罐體分內罐,…
[2019.11.21]


