免費咨詢熱線
0512-66182570103,LTD液位- - 溫度- - 密度檢測防翻滾系統,LNG儲罐(一)-杜爾裝備
文章出處:1,2,3,4,5 發表時間:2019-11-06 13:39:13
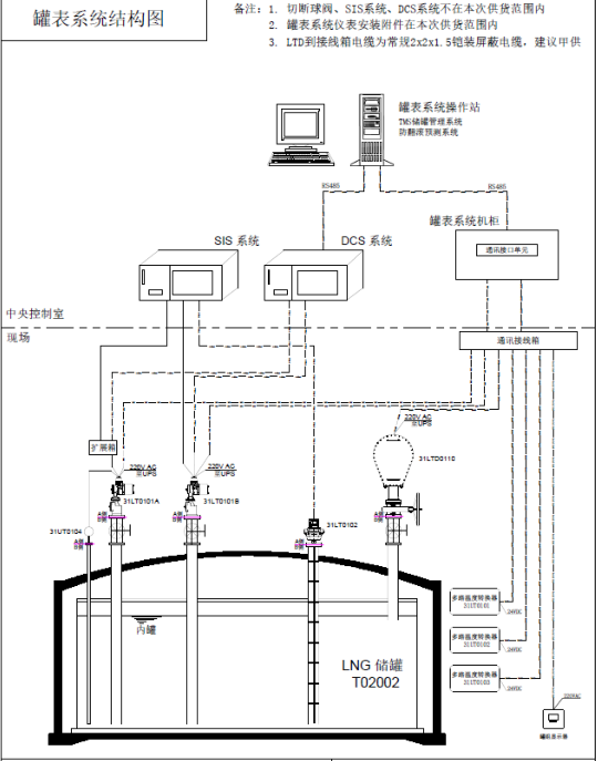
LTD液位- - 溫度- - 密度檢測防翻滾系統,LNG儲罐
液位-溫度-密度計帶有:1 個振動型密度探頭,1 個 RTD 溫度探頭,1 個安裝在 LNG儲罐底部的參考開關。
LTD 儀表由機械驅動部件,一個多傳感器探頭,以及帶微處理器的現場處理單元組成。在LTD 工作時,探頭在微處理器的指令下由電機驅動在 LNG 中垂直運動,探頭的運動模式可設置成自動或手動。探頭內的傳感器可分別測量出液位、溫度、密度信號。測量信號經現場處理單元通過內部總線傳輸到控制室,通過轉換卡轉成 RS485 或 MODBUS信號。液位-溫度-密度儀表必須保證能在線維護,可在 LNG 儲罐在正常操作時或帶壓情況下抽出。為此,液位-溫度-密度儀表必須由全通徑球閥隔離并可考慮加裝隔膜閥以便在機械部分卡住時方便維修。

LNG 分層翻滾預防措施
①對 LNG 液體不同高度進行密度、溫度檢測
為了檢測到 LNG 儲罐是否出現分層情況,LNG 儲罐配置的伺服液位計其中一臺帶密度測量功能,用來測量儲罐不同高度的密度。輸出信號通過 RS-485 通訊協議輸送至控制室。
②采取以下措施來避免 LNG 出現分層情況:
——儲罐接收具有不同密度的 LNG 進入同一儲罐前進行分析,根據分析結果選擇進液管線;
——高密度 LNG 使用頂部進液管,低密度 LNG 使用底部進液管道;
——利用泵打回流來混合上層和下層 LNG 液體;
相關新聞
- 216、雙金屬全容罐吊頂結構優點-杜爾裝備 [2023-05-08]
- 215、低溫儲罐方案設計原則-杜爾裝備 [2023-05-08]
- 214、低溫儲罐安全教育培訓-杜爾裝備 [2023-05-08]
- 213、項目施工管理的目標-杜爾裝備 [2023-05-08]
- 212、杜爾大型低溫儲罐質量服務優勢-杜爾裝備 [2023-05-08]
- 211、杜爾大型低溫儲罐技術設備優勢-杜爾裝備 [2023-05-08]
- 216、常壓低溫儲罐設計范圍-杜爾裝備 [2023-05-08]
- 215、低溫LNG儲罐工藝流程-杜爾裝備 [2023-05-08]
- 214、低溫氬氣儲罐測試手段-杜爾裝備 [2023-05-08]
- 213、低溫乙烯真空儲罐產品性能描述-杜爾裝備 [2023-05-08]


